跑偏開關PK1-2B-TH水泥廠跑偏開關供應
由于產品型號眾多,我司各種電氣規格型號齊全,有任何需求可以與我公司銷售人員聯系,生產各種規格型號的跑偏開關、拉繩開關、傾斜開關、打滑開關、失速開關、溜槽堵塞開關、聲光報警器、限位開關、磁性開關、撕裂開關、料流開關等產品,產品適用范圍廣,用途多,產品銷售國內外100多個國家和地區,銷售電話:15163766288(微信同號)
跑偏開關PK1-2B-THPK1-2B-I485-TH兩級跑偏開關的描述:
引進美國技術,關鍵零部件進口;
兩級動作,*級,第二級緊急停機;
通用的外形設計,即可安裝在輸送機縱梁頂部,也可安裝在其兩側;
堅固厚實的鑄鋁外殼,適合工業環境應用;
整體式蓋板設計,使得安裝接線非常方便;
無須拆除動作桿,即可打開蓋板。
結構特點
1.本產品采用鋁合金鑄造殼體、強度高、重量輕,
2.開關采用進口的行程開關,觸點容量大,動作靈敏,使用壽命長,密封性好。
3.外殼防護等級達到IP65,可在惡劣環境下長期工作。
4.本產品動作靈敏、穩定性高、性能可靠。
安裝與接線
(一) 安裝方法
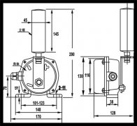
圖1 跑偏開關安裝圖 
1、跑偏開關應成對安裝在膠帶機兩側,其位置應使立輥軸線與膠帶邊呈垂直狀且應保證膠帶邊位于立輥高度的下1/3處為宜。
2、立輥距膠帶邊緣距離為膠帶的自然跑偏量加上50100mm為宜,用戶也可以根據現場情況確定。
3、跑偏開關應安裝在托輥組的近旁且避開調心托輥組為好。
4、本裝置底座有兩Φ13固定孔,用戶用螺栓將其固定在安裝支架的長形孔的,以便適當的調整位置。
5、安裝支架采用現場在膠帶機的中間架上。
(二)接線方法
該產品配有1.5米六芯橡套電纜,芯線上配有標記號,用戶可根據線號接線,其中:
1、2為跑偏常開接點;
1、3為跑偏常閉接點;
4、5為二級跑偏常開接點;
4、6為二級跑偏常閉接點;
跑偏開關PK1-2B-TH技術參數:
輸出觸點:兩組SPT,10A/500V;
動作角度:*級10度,第二級20度;
作用力:3-4kg;
動作桿距皮帶邊緣安裝距離:25-75mm;
出線接口螺紋:3/4″NPT,兩個;
防護等級:IP67,適合室外安裝。
防偏開關用于皮帶跑偏檢測可固定在輸送機縱梁的頂部或底部,通常安裝在皮帶兩端,距頭部或尾部滾筒0.3米到2米的地方,皮帶跑偏后,迫使皮帶輸送機或停機。
適用范圍:
1.常規皮帶輸送機
2.地下、素道支撐皮帶輸送機
3.輪船裝卸系統
4.堆垛/取料輸送機
5.傾斜和梭式輸送機
6.起重機/挖掘機起重臂限位
7.裙邊給料機/輸送機
8.重型極限開關
9.特殊加工,鍍鎳及不銹鋼滾子
10.輔助小旗
11.扳手(用于上緊蓋板)
訂貨須知
1、注明開關名稱、型號、數量、供貨期。
2、我廠備有跑偏開關安裝支架,
兩級跑偏開關安裝和調整
1.跑偏開關設在輸送帶兩側,立輥應與輸送帶邊平面垂直,并使輸送帶兩邊位于立輥高度1/3處。
2.跑偏開關立輥與輸送帶正常位置的間距宜為50~100mm。
3.跑偏開關數量應根據輸送機長度、類型及布置情況進行確定。兩級跑偏開關一般應在輸送機頭部、尾部、凸弧段、凹弧段和在輸送機中間位置進行設置。(注:當輸送機較長時,在輸送機中間位置可每隔30~35米設1對)
4.跑偏開關應通過安裝支架與輸送機中間架連接,開關支架應在輸送機安裝完成后與輸送機機架焊接,跑偏開關與跑偏開關支架用螺栓固定。,用戶需用,請另行訂購。
3、未注明動作角度的按12⪚、二級30⪚供貨。
兩級跑偏開關常用產品型號:
HFKPT1-12-30、 HFKPT1-10-45、 HFKPT1-20-35、
XLPP-III、XLPP-20-35、PK-12-30、PK-20-35、PK-10-45、
KPT1-12-30、KPT1-20-35、KPT1-12-35、KPT1-20-30、
GHPK-12-30、GHPK-20-35、GHPK-10-45、
JHPK-12-30、JHPK-20-35、JHPK-10-45、
GHLS-12-30、GHLS-20-35、GHLS-10-45、
GYBP-12-30、GYBP-20-35、GYBP-10-45、
FM1230、FM2035、GEJ30、
FPK-12-30、FPK-20-35、FPK-10-45
QK2-1-30B、PH12-30
YHP-12-30、YHP-20-35 買家必讀:收到貨時,無論包裝是否破損,務必當面檢查物品是否完好及缺少,有任何問題,立即與我取得。本公司承諾:誠信待人,我們是生產,做的是發生意,均以zui低出報價,沒有暴利。低價位,高品質。1年品質保證。物流:順豐速運、申通快遞、圓通快遞、中通快遞、天天快運、EMS郵政速運及公鐵聯運。網上報價不準,使用與安裝:防偏開關可固定在輸送機縱梁頂部或底部,動作桿距皮帶邊緣約25mm。通常安裝在皮帶兩側距頭部或尾部0.3-2米的地方。當皮帶跑偏時,迫使動作桿偏離,觸動報警開關。兩級跑偏開關如果繼續偏離,觸動別一組開關,輸送機就會保護性停機。,發布的產品信息技術參數不詳細、型號對應產品圖片不一定正確、發貨一律以產品型號為準,具體產品請致電咨詢、以中實際報價為準。
卓信是我家,致富靠大家,歡迎訂購卓信傳感器,為感謝新老客戶,量大更!趕快,輕松工作,本系列跑偏開關具有兩級動作功能。一級動作用于報警,二級動作用于自動停機。膠帶機在運行中,當膠帶跑偏且與本開關立輥接觸時,立輥自轉,若跑偏量繼續加大,則擠壓立輥發生偏移。
當立輥偏轉角度超過12°時,一級開關動作,輸出(報警信號)。
當立輥偏轉角度超過30°時,二級開關動作,輸出(停機信號)。
一級開關信號用于報警,如果將此信號與跑調整裝置相接,即可實現不停機狀態下的跑偏自動調整。
二級開關信號用于停機,將此信號接至控制線路中,即可實現重度跑偏狀態下的自動停機。
當故障排除后,膠帶離開立輥正常運轉時,立輥可自動復位。
兩級跑偏開關為了適應戶外條件下長期使用,本產品均采用整體密封,內部金屬零件進行鍍鋅純化處理,外部零件除殼體外均做多層光亮鍍鉻,殼體為鑄鋁制造,表面采用靜電噴涂技術處理,適宜在惡劣環境下使用。
兩級跑偏開關采用鋁合金精密壓鑄殼體、強度高、重量輕;
外殼防護等級達IP65, 密封性好,防水、防塵,可在惡劣環境中長期工作;
觸點容量大、動作靈敏、可靠,效率高高! 購買需知:本公司上傳產品型號規格有限,產品型號規格有多種,詳情請來電資詢。山東卓信電氣有限公司為創造品牌,提高企業知名度,樹立企業形象,我們本著一切追求高質量,用戶滿意為宗旨的精神,以的、周到的服務、可靠的產品質量的原則向您鄭重承諾:產品質量承諾:1、 產品的制造和檢測均有質量記錄和檢測資料。2、 對產品性能的檢測,我們誠請用戶親臨對產品進行全過程、全性能檢查,待產品被確認合格后再裝箱發貨。產品承諾:1、為了保證產品的高可靠性和性,卓信生產的產品選材均選用國內或國際名品產品。2、在同等競爭條件下,我公司在不以降低產品技術性能、更改產品部件為代價的基礎上,真誠以的提供給貴方。交貨期承諾:產品交貨期:一般常規格產品,,特殊產品需定制,按用戶來樣或圖片參數要求定制,若有特殊要求,需提前完工的,我公司可特別組織生產、安裝,力爭滿足用戶需求。售前服務:一、 提供技術咨詢:我們會在zui快的時間以內,根據您的需要為您提供任何技術及方面的咨詢及時對于您所關心的任何問題給予快速回復等等。二、提供考察接待:我們歡迎您隨時隨地蒞臨公司現場考察,并為您提供任何便利條件。售中服務:一、 無論您是國外的客戶還是國內的客戶,無論您是我們的老客戶還是我們的新朋友,使用與安裝:防偏開關可固定在輸送機縱梁頂部或底部,動作桿距皮帶邊緣約25mm。通常安裝在皮帶兩側距頭部或尾部0.3-2米的地方。當皮帶跑偏時,迫使動作桿偏離,觸動報警開關。兩級跑偏開關如果繼續偏離,觸動別一組開關,輸送機就會保護性停機。,無論您的合同經額是大還是小,我們都將誠信、公平、熱情、嚴謹地同一對待;二、 我們保證守時、保質、保量地嚴格執行合同規定的各項條款,并且為客戶提供的服務等。售后服務:質保期:自購買之日起,卓信銷售的產品非人為因素,質保 一年是山東卓信自主研發制成、所生產的產品暢銷各地、廣大消費者的認可、我廠長期為客戶提供各種開關、網上發布的產品信息都是真實詳情描述、本公司所有產品均是自產自銷、且有大量現貨、為客戶提供17增值票、請您放心選購。 發貨方式:協商:順豐速運、申通快遞、圓通快遞、中通快遞、天天快運、EMS郵政速運及公鐵聯運。卓信另生產主的打產品:卓信生產的各規格接近開關檢測距離:zui大120MM
電壓:直流10-30V、交流24-240V電壓可選
輸出:NPN、PNP、NPN+PNP
狀態:NO常開、NC常閉、NO+NC常開加常閉
外徑:Φ4、M5、M8、M12、M18、M20、M24、M30、M34、M35、M38、M40、M48,另方形尺寸規格較多請來電詳詢 :附加要求可按需定制,個性化處理 直流三線NPN,PNP,常開,常閉,直流二線,常開,常閉,交流常開,常閉,直流四線常開加常閉等規格系列等產品產品性能:卓信公司生產的各類可根據客戶要求定制各種規格產品:防水,防油,防爆,抗干擾,抗震,耐高溫,耐底溫,耐油,耐腐蝕,耐高壓,耐酸堿適用范圍:廣泛應用于世界各國的不同行業,包括汽車制造、電力、食品飲料、石油化工、冶金、煙草、航空航天、機械、紡織、造紙、印刷、包裝、軌道交通、物流、水泥建材、造船、電線及電纜制造、采礦和市政等行業,成為深受用戶信賴的XUAN品牌。購買山東卓信產品請認準G/卓信商標,產品有防偽標示,請注意購買卓信zheng品,使用方便,質量可靠。如有任何技術問題,請,您的寶貴意見,就是我們品質的進步,產品的創新!山東卓信力創YI 流的品質,YI流的品牌,為廣大客戶提供更的產品,的服務!請放心購買!所有版權為山東卓信電氣有限公司
![]() |









