鋼鐵廠皮帶檢測輸送機防偏開關 兩級跑偏開關KBW-220P防爆兩級跑偏開關
由于產品型號眾多,我司各種電氣規格型號齊全,有任何需求可以與我公司銷售人員聯系,生產各種規格型號的跑偏開關、拉繩開關、傾斜開關、打滑開關、失速開關、溜槽堵塞開關、聲光報警器、限位開關、磁性開關、撕裂開關、料流開關等產品,產品適用范圍廣,用途多,產品銷售國內外100多個國家和地區,銷售電話:15163766288(微信同號)
鋼鐵廠皮帶檢測輸送機防偏開關 兩級跑偏開關說明
鋼鐵廠皮帶檢測輸送機防偏開關 兩級跑偏開關發
生產
GK1-2B 兩級跑偏開關,是用于檢測帶式輸送機運行過程中輸送帶跑偏程度并進行警示以及自動觸發緊急停機的一種保護裝置。使用跑偏開關可防止昂貴的輸送帶受損害以防止進一步的工礦事故和人生傷害。兩級跑偏開關可防止在運行輸送系統里是不可缺少的保護裝置,其廣泛應用于鋼鐵廠、火力發電廠、水泥廠、化工廠、港口等等。
GK1-2B兩級跑偏開關應用范圍
常規皮帶輸送機,包括平皮帶輸送機和槽形皮帶輸送機
地下、索道支撐皮帶輸送機
輪船裝卸系統、堆取料輸送機
兩級跑偏開關GK1-2B產品特點
堅固的鑄鋁外殼、靜電防腐涂裝適應于惡劣工礦環境安裝
防護標準IP67在惡劣環境也可使用
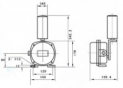
使用高性能的微動開關和無需要維護的銅管技術,使用與安裝:防偏開關可固定在輸送機縱梁頂部或底部,動作桿距皮帶邊緣約25mm。通常安裝在皮帶兩側距頭部或尾部0.3-2米的地方。當皮帶跑偏時,迫使動作桿偏離,觸動報警開關。兩級跑偏開關如果繼續偏離,觸動別一組開關,輸送機就會保護性停機。,耐久性
動作桿軸承額定轉速 5000 轉/分,使用與安裝:防偏開關可固定在輸送機縱梁頂部或底部,動作桿距皮帶邊緣約25mm。通常安裝在皮帶兩側距頭部或尾部0.3-2米的地方。當皮帶跑偏時,迫使動作桿偏離,觸動報警開關。兩級跑偏開關如果繼續偏離,觸動別一組開關,輸送機就會保護性停機。,適用皮帶速度 6.35 米/秒
側面滾輪zui大傾斜角度75度,因此輸送帶發生異常偏離時保護開關也會準確動作
GK1-2B兩級跑偏開關技術規格
接點容量: 2個SPT 400VAC 10A
動作角度:20⪚
纜繩動作張力:49&plun;10N (5&plun;1kgf)
側面滾輪傾斜角度:≤75⪚
防護等級: IP65
環境溫度: -20℃~+80℃
電纜入口: M20×1.5
電纜規格: 6~12 mm

動作說明
示意圖中的角度為側面滾輪的傾斜角度
接點1,2傾斜到20度時閉合,恢復到18度時斷開
接點4,5傾斜到35度時斷開,恢復到33度時閉合
接點動作位置根據調整凸輪可變更
【卓信電氣】主營:兩級跑偏開關,跑偏開關(Belt Sway Switches)又稱防偏開關。兩級跑偏開關用于檢測帶式輸送機運行中的跑偏現象,按皮帶實際跑偏量輸出報警或停機信號,可有效的防止由皮帶跑偏而產生的事故。,雙向拉繩開關,皮帶打滑開關,欠速開關,料位開關,傾斜開關,水銀開關,縱向撕裂開關等,高質量優,跑偏開關起帶式輸送現場的保護作用,因此必須達到指定的IP防護等級。 兩級跑偏開關分兩個位置檢測輸送機皮帶的跑偏程度和扭曲程度。根據皮帶的跑偏程度和扭曲程度,實現自動報警和停機,避免昂貴的輸送皮帶受損壞及因皮帶扭曲造成的物料散落等事故。此開關安裝方便,運行可靠,是帶式輸送機必備的保護裝置之一。,咨詢。
0713 2127622 雷帆 手機
2687803023
![]() |









