磁性開關HQSWT-1628GST生產廠家
由于產品型號眾多,我司各種電氣規格型號齊全,有任何需求可以與我公司銷售人員聯系,生產各種規格型號的跑偏開關、拉繩開關、傾斜開關、打滑開關、失速開關、溜槽堵塞開關、聲光報警器、限位開關、磁性開關、撕裂開關、料流開關等產品,產品適用范圍廣,用途多,產品銷售國內外100多個國家和地區,銷售電話:15163766288(微信同號)
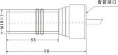
磁性開關HQSWT-1628GST
磁性開關HQSWT-1628GST 廣泛用于電力、石油、化工、冶金等企業中的化學水處理系統、除灰除渣系統、酸堿計量系統、凝結水系統、石灰水系統中的各種國產、進口設備的信號反饋,鍋爐吹灰、點火、送抽氣、排風、電動門等各類行程開關的更新換代產品。
產品特點:
(1)發信號為非接觸式動作,無機械故障。潛入式,雙層全密封結構、無氧化、防潮、防水、耐酸堿腐蝕,具有防爆性能;
(2)接點為全窒息性,無需電源供電,泄漏電流、殘余電壓為零,解決了接近開關在可編程、PLC、CO系統中工作時因漏電流、電壓降所造成的掉信號和發信誤區等問題;
(3)反饋安裝調試簡便,不用工具,只需用手移動位置既可,使用壽命長,一次安裝到位,終生不需保養維護;
(4)具備內置英制螺紋接口,可與各種規格金屬接頭套管連接。
技術參數
(1)工作電壓:0~450V接點容量:<10A
(2)殘余電壓:0V泄露電流:0mA
(3)接觸電阻:0Ω絕緣電阻:>300MΩ
(4)輸出狀態:一常開、一常閉兩對接點
(5)回路保護:極性保護、斷路保護、短路保護、浪涌吸收
(6)溫度范圍:-35…+200℃,防護等級:IP67
(7)殼體材料:SUS304/316不繡鋼材質,耐酸堿腐蝕、防爆、抗粉塵污染等

買家必讀
收到貨時,無論包裝是否破損,務必當面檢查物品是否完好及缺少,有任何問題,立即與我取得。
本公司承諾:誠信待人,我們是生產,做的是發生意,均以zui低出報價,沒有暴利。低價位,高品質。1年品質保證。
物流:順豐速運、申通快遞、圓通快遞、中通快遞、天天快運、EMS郵政速運及公鐵聯運。 購買需知:
本公司上傳產品型號規格有限,產品型號規格有多種,詳情請來電資詢。
購買需知:
本公司上傳產品型號規格有限,產品型號規格有多種,詳情請來電資詢。
山東卓信電氣有限公司為創造,提高企業知名度,樹立企業形象,我們本著一切追求高質量,用戶滿意為宗旨的精神,以zui的、zui周到的服務、zui可靠的產品質量的原則向您鄭重承諾:
產品質量承諾:
1、產品的制造和檢測均有質量記錄和檢測資料。
2、對產品性能的檢測,我們誠請用戶親臨對產品進行全過程、全性能檢查,待產品被確認合格后再裝箱發貨。
產品承諾:
1、為了保證產品的高可靠性和性,卓信生產的產品選材均選用國內或國際產品。
2、在同等競爭條件下,我公司在不以降低產品技術性能、更改產品部件為代價的基礎上,真誠以zui的提供給貴方。
交貨期承諾:
產品交貨期:一般常規格產品,,特殊產品需定制,按用戶來樣或圖片參數要求定制,若有特殊要求,需提前完工的,我公司可特別組織生產、安裝,力爭滿足用戶需求。
售前服務
一、提供技術咨詢:我們會在zui快的時間以內,根據您的需要為您提供任何技術及方面的咨詢及時對于您所關心的任何問題給予快速回復等等。
二、提供考察接待:我們歡迎您隨時隨地蒞臨公司現場考察,并為您提供任何便利條件。
售中服務
一、無論您是國外的客戶還是國內的客戶,無論您是我們的老客戶還是我們的新朋友,無論您的合同經額是大還是小,我們都將誠信、公平、熱情、嚴謹地同一對待;
二、我們保證守時、保質、保量地嚴格執行合同規定的各項條款,并且為客戶提供的服務等。
售后服務
自購買之日起,卓信銷售的產品非人為因素,質保 一年
發貨方式:順豐速運、申通快遞、圓通快遞、中通快遞、天天快運、EMS郵政速運及公鐵聯運。
購買需知:
本公司上傳產品型號規格有限,產品型號規格有多種,詳情請來電資詢。
接近開關TUROK Ni15-M30-AP6X
接近開關BI5-M18-AZ3X
主令 LK17-3J/101
無源磁控開關HQJK-4015KH-C AC/c380V ,
AC/C220V
磁性開關HQA306-1628GST
HQS-1628TGS/C速度保護控制裝置
HQQ-C30/67磁性間隙開關
HQLS-1628/AT1雙向拉繩開關
耐高溫無源磁控接近開關SW-10063
WJKG-22耐高溫無源磁性接近開關
WJKG-A無源磁性接近開關
M22無源磁控開關 無源耐高溫開關
WKG-H-A01-LE無源磁性接近開關
![]() |





